Закладки
Сравнение
Ваша корзина пуста!
Корзина
Артикул
EA04.009.005
Производитель
Евроавтоматика F&F
Штрихкод
04810294000404
26
4961р.
*Розничная цена с учетом НДС.
Возможно получение индивидуальной скидки.
Предоставляется дополнительная скидка на проектный заказ.
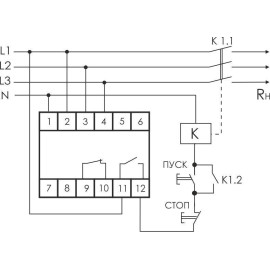
Реле напряжения серии "CP" Монтаж на DIN-рейку. Предназначено для непрерывного контроля величины напряжения в трехфазной сети переменного тока и защиты электроустановок, электроприборов и прочего электронного оборудования от повышенного или пониженного напряжения, от обрыва нулевого провода. Защита осуществляется путем отключения нагрузки от сети питания. Верхний и нижний пределы напряжения устанавливает потребитель с помощью потенциометров на панели управления. Реле измеряет напряжение в сети и при выходе напряжения за установленные пределы или обрыве нулевого провода реле отключает защищаемое оборудование. После восстановления сетевого напряжения реле включается автоматически. Особенности реле напряжения CP-731: трехфазное; контроль асимметрии напряжения; контроль слипания фаз; контроль чередования фаз; напряжение питания - 3х(150...450)+N В AC; максимальный ток нагрузки - 2х8 А; контакты - 1NO, 1NC; нижний порог напряжений - 150...210 верхний порог напряжений - 230...190

Характеристики

Возможен контроль 1-фазного понижения напряжения
Нет
Возможен контроль 3-фазного понижения напряжения
Да
Высота, мм
90
Глубина, мм
65
Диапазон измерения напряжения 1 по, В
210
Диапазон измерения напряжения 1 с, В
150
Диапазон измерения напряжения 2 по, В
260
Диапазон измерения напряжения 2 с, В
230
Количество нормально замкнутых (НЗ) контактов
1
Количество нормально разомкнутых (НО) контактов
1
Минимальное регулируемое время задержки срабатывания без выдержк
.1
Род тока включения
Переменный ток (AC)
Род тока контролируемого напряжения
Переменный ток (AC)
С съемными клеммами, зажимами
Нет
Ширина, мм
52.5

Габариты и вес

Габариты (ДхШхВ)
0.11×0.06×0.07
Вес
0.139

Оформить заказ на нашем сайте легко. Просто добавьте выбранные товары в корзину, а затем перейдите на страницу Корзина, проверьте правильность заказанных позиций и нажмите кнопку «Оформить заказ» или «Быстрый заказ».

Быстрый заказ

Функция «Быстрый заказ» позволяет покупателю не проходить всю процедуру оформления заказа самостоятельно. Вы заполняете форму, и через короткое время вам перезвонит менеджер магазина. Он уточнит все условия заказа, ответит на вопросы, касающиеся качества товара, его особенностей. А также подскажет о вариантах оплаты и доставки.

По результатам звонка, пользователь либо, получив уточнения, самостоятельно оформляет заказ, укомплектовав его необходимыми позициями, либо соглашается на оформление в том виде, в котором есть сейчас. Получает подтверждение на почту или на мобильный телефон и ждёт доставки.

Оформление заказа в стандартном режиме

Если вы уверены в выборе, то можете самостоятельно оформить заказ, заполнив по этапам всю форму.

Заполнение адреса

Выберите из списка название вашего региона и населённого пункта. Если вы не нашли свой населённый пункт в списке, выберите значение «Другое местоположение» и впишите название своего населённого пункта в графу «Город». Введите правильный индекс.

Доставка

В зависимости от места жительства вам предложат варианты доставки. Выберите любой удобный способ. 

Оплата

Выберите оптимальный способ оплаты. 

Покупатель

Введите данные о себе: ФИО, адрес доставки, номер телефона. В поле «Комментарии к заказу» введите сведения, которые могут пригодиться курьеру, например: подъезды в доме считаются справа налево.

Оформление заказа

Проверьте правильность ввода информации: позиции заказа, выбор местоположения, данные о покупателе. Нажмите кнопку «Оформить заказ».

Наш сервис запоминает данные о пользователе, информацию о заказе и в следующий раз предложит вам повторить к вводу данные предыдущего заказа. Если условия вам не подходят, выбирайте другие варианты.


Похожие товары

Наш сайт использует файлы cookie, чтобы гарантировать максимальное удобство пользователям, предоставляя персонализированную информацию, запоминая предпочтения в области маркетинга и продукции.

При использовании данного сайта, вы подтверждаете свое согласие на использование файлов cookie в соответствии с настоящим уведомлением в отношении данного типа файлов.